Set 183

Technische informatie

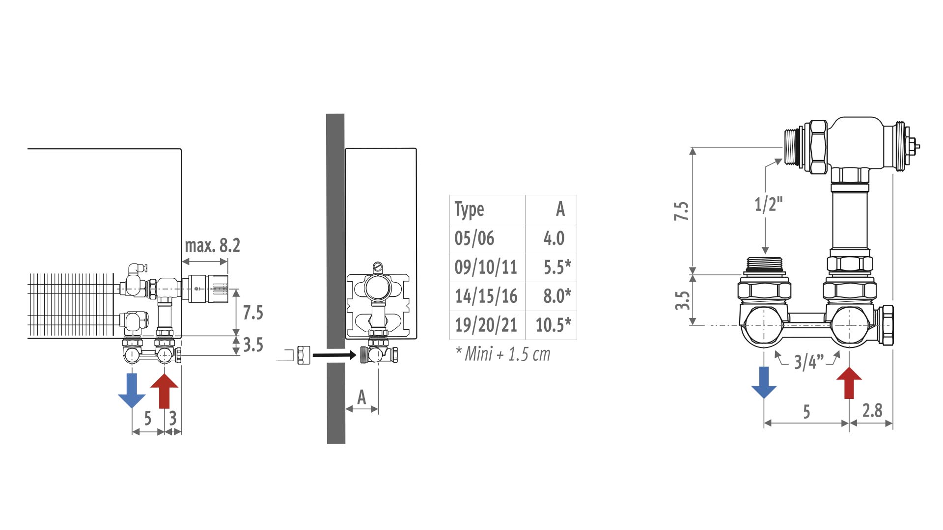
  • Dynamisch Vario-DP ventiel van Gampper, aangepast voor de aansluiting op Jaga toestellen.
  • 3/4” Euroconus buitendraad
  • Eenpijp en tweepijp
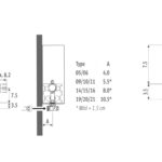
  • aansluiting naar de wand
  • Geïntegreerde automatische debietregeling onafhankelijk van het drukverschil
  • Eenvoudige en snelle instelling van het ontwerpdebiet, zonder ingewikkelde berekeningen
  • traploze voorinstelling van 1 (20 l/u) tot 8 (340 l/u)
  • Twee geïntegreerde afsluiters en afsluitbare by-pass.
  • Keymark certificaat
  • Getest conform EN 215
  • Schroefdraad M30 x 1.5
  • Kunststof spindelbescherming voor regeling tijdens de bouwperiode
 

Samenstelling bestelcode

Bestelcode

Ventiel, bediening en klemkoppelingen zijn inbegrepen in de prijs.

Enkel verwarmen
COLO.GASW.JW.4 ... Wit JW
COLO.GASW.AC.4 ... Chroom AC
COLO.GASW.AW.4 ... Wit AW
COLO.GASW.AS.4 ... Zilver AS
COLO.GASW.MA.4 ... Wit MA
COLO.GASW.JH.4 ... Wit JH
COLO.GASW.HC.4 ... Wit HC
COLO.GASW.JB.4 ... Zwart JB

code klemkoppeling invullen.

Verwarmen en koelen
COLO.GASW.MA.4 ... Wit MA
COLO.GASW.HC.4 ... Wit HC

code klemkoppeling invullen.

Klemkoppelingen

  • 3/4" Klemkoppeling Eurocone - Kunststof of VPE/ALU

    Bestelcode van de aansluitset aanvullen met de code van de klemkoppeling volgens de gebruikte buis en Ø
    Kunststof of VPE/ALU
    code Buis Ø code Buis Ø
    612 12/2 615 15/2.5
    614 14/2 619 16/1.5
    616 16/2 620 20/2
    618 18/2
    Max. Aanhaalmoment Kunststof: 30-40 Nm VPE/Alu: 20-30 Nm
  • 3/4" Klemkoppeling Eurocone - dunwandig metaal

    Bestelcode van de aansluitset aanvullen met de code van de klemkoppeling volgens de gebruikte buis en Ø
    dunwandig metaal
    code Buis Ø
    112 12/1
    114 14/1
    115 15/1
    116 16/1
    118 18/1
    Max. Aanhaalmoment Dunwandig metaal: zacht koper 45-55 Nm, halfhard koper 60-80 Nm, zacht staal 60-70 Nm
Scroll naar boven